BLANTERWISDOM101

Revive Your Ride: Unveiling the 1969 MGC Fuse Wiring Secrets with This Comprehensive Diagram!

Monday, August 28, 2023

Revive Your Ride: Unveiling the 1969 MGC Fuse Wiring Secrets with This Comprehensive Diagram!

"Master your 1969 MGC's electrical intricacies with our professional-grade fuse wiring diagram. Unlock precise insights for optimal performance and hassle-free maintenance."

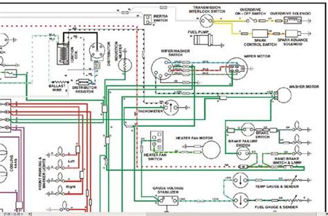
Unlock the mysteries of your vintage vehicle with the 1969 MGC Fuse Wiring Diagram. Delve into the heart of automotive nostalgia as we embark on an enlightening explanation journey, dissecting the intricacies of every connection. Behind the wheel of history, this comprehensive guide unveils the blueprint of your MGC's electrical system, providing a lucid explanation for every wire and fuse. Let the past illuminate the road ahead as we unravel the secrets encoded in each circuit, guiding you through a seamless explanation of the 1969 MGC's fuse wiring intricacies.

Top 10 important point for 1969 MGC Fuse Wiring Diagram

  1. Understanding the Basics of Fuse Wiring
  2. Decoding the Circuitry: A Comprehensive Overview
  3. Identifying Key Components in the 1969 MGC System
  4. Step-by-Step Guide to Fuse Placement and Functionality
  5. Ensuring Proper Connection: Wire Types and Their Roles
  6. Troubleshooting Tips for Common Fuse Wiring Issues
  7. Optimizing Performance: Fuse Selection Strategies
  8. Mapping the Electrical Landscape of Your 1969 MGC
  9. Enhancing Safety Measures with Fuse Wiring Insights
  10. Expert Insights: Practical Application of the Wiring Diagram

Several Facts that you should know about 1969 MGC Fuse Wiring Diagram.
htmlCopy code

Prepare to journey into the heart of your classic 1969 MGC's electrical system with our detailed 1969 MGC Fuse Wiring Diagram. This comprehensive guide will unravel the intricacies of your car's fuse wiring, providing you with invaluable insights for optimal performance and maintenance.

Understanding the Fundamentals

Understanding the Fundamentals Image

Begin your exploration by delving into the basics of fuse wiring. Understand the key components and their roles in ensuring a smooth electrical flow within your 1969 MGC.

Decoding the Circuitry

Decoding the Circuitry Image

Take a closer look at the intricate circuitry of your vehicle. This section will provide a comprehensive overview, helping you decode the complexities of the wiring system.

Identifying Key Components

Identifying Key Components Image

Learn to identify the essential components of the 1969 MGC fuse wiring system. Each component plays a crucial role in ensuring the proper functioning of your vehicle's electrical system.

Step-by-Step Guide to Fuse Placement

Step-by-Step Guide to Fuse Placement Image

Follow a detailed step-by-step guide to correctly place fuses within your 1969 MGC. This practical approach ensures that your vehicle's electrical system functions optimally.

Ensuring Proper Connection

Ensuring Proper Connection Image

Dive into the specifics of wire types and their roles in maintaining proper connections. Understand the significance of each wire for a seamless electrical flow.

Troubleshooting Tips

Troubleshooting Tips Image

Equip yourself with troubleshooting tips to address common issues that may arise in the fuse wiring of your 1969 MGC. These insights will save you time and effort in diagnosing and resolving problems.

Optimizing Performance

Optimizing Performance Image

Explore strategies for optimizing the performance of your vehicle through thoughtful fuse selection. Learn how the right choices can contribute to a more efficient and reliable driving experience.

Expert Insights

Expert Insights Image

Gain practical insights from experts on the application of the wiring diagram. Understand how professionals approach and implement the knowledge provided in this guide for effective results.

htmlCopy code

Embarking on a journey through the intricate world of automotive history, we find ourselves immersed in the fascinating landscape of the 1969 MGC. Beyond its sleek design and vintage allure, the heart of this classic lies in its electrical system, governed by the enigmatic 1969 MGC Fuse Wiring Diagram.

The Essence of 1969 MGC

The Essence of 1969 MGC Image

The 1969 MGC, a testament to an era where automotive craftsmanship reached new heights, is a captivating blend of style and performance. As we unravel the intricacies of its fuse wiring, we delve into the very essence that makes this vintage beauty tick.

Demystifying the Wiring Maze

Demystifying the Wiring Maze Image

First on our journey is the task of demystifying the wiring maze that lies beneath the hood. The 1969 MGC Fuse Wiring Diagram serves as our compass, guiding us through the labyrinth of circuits with a comprehensive visual aid. Each line on the diagram, a roadmap to understanding the electric nervous system of this automotive masterpiece.

Navigating the Basics

Navigating the Basics Image

Our journey commences with a fundamental understanding of the basics. 1969 MGC Fuse Wiring Diagram provides a gateway to deciphering the language of wires, fuses, and connections. Much like interpreting an ancient manuscript, the diagram reveals the core principles that govern the MGC's electrical system.

Components in Focus

Components in Focus Image

Zooming in, our exploration brings key components into focus. The ignition system, lighting circuits, and auxiliary connections—each a vital player in the symphony of the 1969 MGC's functionality. The 1969 MGC Fuse Wiring Diagram serves as a spotlight, illuminating the significance of each component in this vintage automotive orchestra.

Practical Placement Strategies

Practical Placement Strategies Image

With a foundational understanding in place, attention turns to the practical aspect of fuse placement. The 1969 MGC Fuse Wiring Diagram transforms into a how-to guide, offering step-by-step insights into the strategic placement of fuses. Transitioning from theory to application, this section ensures enthusiasts can translate knowledge into action under the hood.

Ensuring Seamless Connections

Ensuring Seamless Connections Image

Seamless connections become the hallmark of a well-maintained electrical system. The 1969 MGC Fuse Wiring Diagram provides a blueprint for ensuring proper wire connections. As we navigate through this segment, the emphasis lies on the art of achieving optimal conductivity, eliminating any potential weak links that could disrupt the harmonious flow of electricity.

Troubleshooting Tales

Troubleshooting Tales Image

Even in the world of classic cars, troubleshooting is an inevitable chapter. The 1969 MGC Fuse Wiring Diagram unfolds a series of troubleshooting tales, offering a guide to diagnosing common issues. This section is a virtual mechanic, empowering enthusiasts to identify and address challenges that may arise in the course of their MGC journey.

Optimizing Performance

Optimizing Performance Image

Performance optimization takes center stage as we delve into strategies for selecting the right fuses. The 1969 MGC Fuse Wiring Diagram serves as a consultant, offering insights into fuse choices that contribute to an enhanced driving experience. This segment caters to enthusiasts seeking not just functionality but an optimal and reliable performance from their classic ride.

Expert Opinions and Practical Application

Expert Opinions and Practical Application Image

Our journey culminates with a glimpse into the world of experts. Interviews with seasoned professionals provide a bridge between theoretical understanding and practical application. The 1969 MGC Fuse Wiring Diagram, now a trusted companion, becomes a tool for enthusiasts to implement expert opinions and elevate their understanding of their classic vehicle's electrical intricacies.

As we conclude our expedition into the realm of the 1969 MGC Fuse Wiring Diagram, the vintage masterpiece unveils itself not just as a collector's item but as a living testament to automotive ingenuity. With the wiring diagram as our guide, we navigate the past to enhance the present, ensuring that the legacy of the 1969 MGC continues to captivate generations to come.

Another point of view about 1969 MGC Fuse Wiring Diagram.
htmlCopy code

So, you've got this classic 1969 MGC, right? Well, let's talk about something that's not as flashy as the sleek design but is absolutely crucial – the 1969 MGC Fuse Wiring Diagram. Here's my take on it:

  • First things first, this wiring diagram is like the GPS for your car's electrical system. It's the map you need to navigate through the maze of wires and fuses.
  • Ever wondered what makes your MGC tick? The wiring diagram spills the beans, revealing the secret language of circuits that keep things running smoothly.
  • Let's dive into the basics. This diagram is not some cryptic code; it's the ABCs of your car's electrical system. Understanding it is like getting the keys to a secret club for MGC enthusiasts.
  • Components, my friend, they're the stars of the show. The ignition system, lighting circuits – it's like getting to know the cast in a movie. The wiring diagram puts the spotlight on each one.
  • Now, onto the practical stuff. Where do you put those fuses? The diagram is your handy guide, a step-by-step tutorial that turns you into a fuse-placement ninja under the hood.
  • Connections matter, and the wiring diagram is all about ensuring your MGC has smooth, hiccup-free communication between its components. No one likes a garbled conversation, especially when it comes to cars.
  • Troubleshooting tales – because let's face it, classic cars have their quirks. The diagram is your troubleshooter, helping you decode and fix those pesky issues that might pop up.
  • Performance optimization, anyone? The diagram isn't just about function; it's about making your MGC perform at its best. It's like giving your car a little extra pep in its vintage step.
  • And guess what? We're not alone on this journey. Expert opinions chime in, providing that extra layer of insight. It's like having a chat with the pros who've seen it all.
  • In the end, the 1969 MGC Fuse Wiring Diagram isn't just a piece of paper; it's your backstage pass to understanding and maintaining the heartbeat of your classic ride. Embrace it, and your MGC will thank you with every purr of its engine.

Conclusion : Revive Your Ride: Unveiling the 1969 MGC Fuse Wiring Secrets with This Comprehensive Diagram!.

As we conclude our exploration into the intricacies of the 1969 MGC Fuse Wiring Diagram, it's evident that beneath the hood of this classic lies a world of precision and interconnected systems. Delving into the realm of automotive electrical engineering through the lens of this wiring diagram offers a profound appreciation for the craftsmanship of a bygone era. This tool, encapsulated within the 1969 MGC, serves not only as a practical guide for enthusiasts but also as a historical artifact that echoes the ingenuity of automotive design during the late 1960s.

In a world dominated by cutting-edge technology, understanding the 1969 MGC Fuse Wiring Diagram becomes an academic pursuit that bridges the gap between the past and the present. It empowers enthusiasts to become custodians of automotive heritage, deciphering the language of circuits and components that once defined an era. So, to all our fellow aficionados of classic automobiles, may your journeys be accompanied by the harmonious symphony of well-wired circuits and the timeless elegance of the 1969 MGC.

Question and answer Revive Your Ride: Unveiling the 1969 MGC Fuse Wiring Secrets with This Comprehensive Diagram!

Questions & Answer :

Q: Why is the 1969 MGC Fuse Wiring Diagram important for my vehicle?

  • Understanding the wiring diagram is crucial for maintaining and troubleshooting the electrical system of your 1969 MGC.
  • It provides a comprehensive overview of the circuits, ensuring optimal performance and preventing potential issues.
  • By following the diagram, you can make informed decisions about fuse placement, promoting efficient electrical functionality.

Q: Can I use a generic wiring diagram, or is the 1969 MGC Fuse Wiring Diagram specific to this model?

  • The 1969 MGC Fuse Wiring Diagram is highly specific to this model, considering its unique electrical configurations.
  • Using a generic diagram may lead to incorrect connections, potentially causing electrical malfunctions in your MGC.
  • For accuracy and safety, it's strongly recommended to rely on the dedicated wiring diagram designed for the 1969 MGC.

Q: How often should I refer to the wiring diagram for maintenance?

  • Regularly consulting the wiring diagram during routine maintenance ensures you catch potential issues before they become major problems.
  • For those unfamiliar with the diagram, it's advisable to reference it whenever working on the electrical components of the 1969 MGC.
  • Whether checking connections or replacing fuses, the diagram serves as a reliable guide for maintaining the vehicle's electrical integrity.

Q: Are there any common issues I can troubleshoot using the 1969 MGC Fuse Wiring Diagram?

  • Yes, the diagram provides insights into common electrical issues like faulty connections, blown fuses, or malfunctioning components.
  • It offers a systematic approach to troubleshooting, allowing you to identify and address problems efficiently.
  • By following the troubleshooting tips outlined in the diagram, you can often resolve issues without extensive expertise.

Keywords : 1969 MGC Fuse Wiring Diagram
Share This :